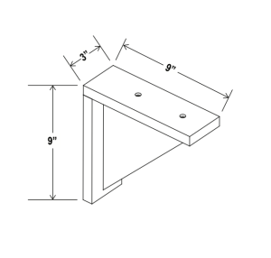
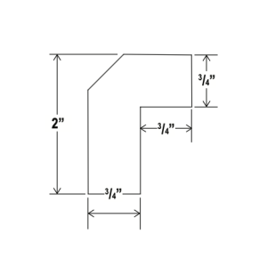
We offer high quality kitchen and bath cabinets at wholesale prices.
Both options are available, our cabinets come standard as ready-to-assemble (RTA) or “flat packed." The pre-assembled or pre-built option is available for an additional fee.
We’re committed to delivering in-stock cabinet orders to you within seven (7) business days.
Yes, please refer to our Refunds & Returns and Terms & Conditions policy pages.
Yes, please check with our customer service for details.
Please complete your information below to login.
Sign In
Create New Account